机械零部件
当前位置:福建龙溪轴承(集团)股份有限公司 - 东升国际官网入口产业 - 机械零部件 - 关节轴承 - 带座带锁口杆端关节轴承
SIQ...ES

产品编号:SIQ…ES 12~100

滑动磨擦副:钢/钢

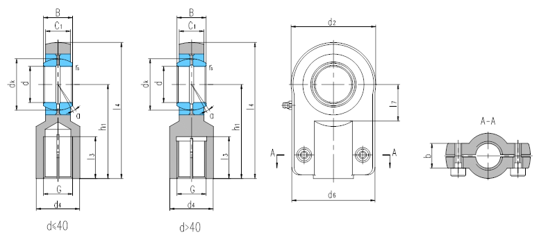
产品特点:带锁口杆端关节轴承由杆端体和向心关节轴承GE…ES组装而成,杆端体材料是碳钢,杆端体的内螺纹带有锁口,配有螺钉紧固;可通过油杯润滑。

使用温度范围:-50℃~+150℃

  

  

轴 承

型 号

Bearing

number

外 形 尺 寸

Dimensions              mm

额定载荷

Load Ratings kN

锁 紧

螺 钉

Screw

重量

Weight

≈kg

d

B

dK

C1

 

d2

 

G

6H

h1

l3

 

l4

 

l7

 

d4

 

d6

 

b

rs

 

α˚

动载荷

Dynamic

静载荷

Static

SIQ12E 1)

12

10

18

8

35

M10×1.25

42

15

59.5

16

17

35

13

0.3

10

10

17

M6×12

0.12

SIQ16ES 2)

16

14

25

11

45

M12×1.25

48

17

70.5

20

21

45

13

0.3

10

21

28.5

M6×12

0.22

SIQ20ES 2)

20

16

29

13

55

M14×1.5

58

19

85.5

25

25

55

17

0.3

9

30

42.5

M8×16

0.43

SIQ25ES

25

20

35.5

17

65

M16×1.5

68

23

100.5

30

30

62

17

0.6

7

48

67

M8×16

0.67

SIQ30ES

30

22

40.7

19

80

M20×1.5

85

29

125

35

36

77

19

0.6

6

62

108

M10×20

1.25

SIQ40ES

40

28

53

23

100

M27×2

105

37

155

45

45

90

23

0.6

7

99

156

M10×25

2.16

SIQ50ES

50

35

66

30

120

M33×2

130

54

190

58

55

105

30

0.6

6

156

245

M12×30

3.90

SIQ60ES

60

44

80

38

160

M42×2

150

65

230

68

68

134

36

1

6

245

380

M16×35

8.2

SIQ80ES

80

55

105

47

205

M48×2

185

75

287.5

92

90

156

45

1

6

400

585

M20×45

16.2

SIQ100ES

100

70

130

57

240

M64×3

240

102

360

116

110

190

55

1

7

607

865

M24×55

28.4

  

1) 无润滑通道。

2)只能通过杆端眼孔润滑。

杆端体采用碳钢锻造。

可装自润滑向心关节轴承。

若是左旋螺纹,轴承型号和螺纹标记需加“L”和“左”,例如:SILQ40ES  M27×2左-6H。