机械零部件
当前位置:福建龙溪轴承(集团)股份有限公司 - 东升国际官网入口产业 - 机械零部件 - 关节轴承 - 杆端关节轴承
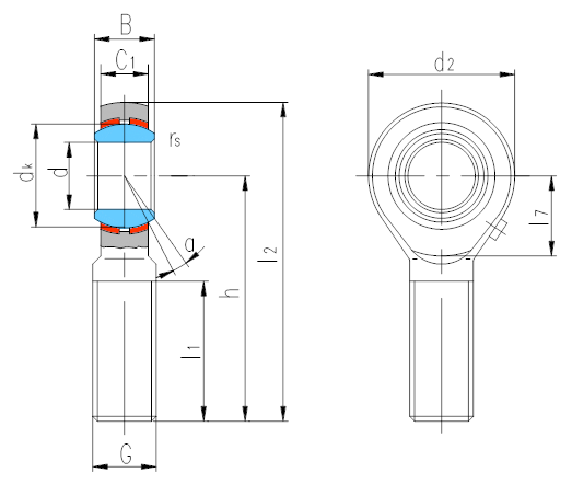
SAZP…S

产品编号:SAZP…S 4.83~25.4

滑动磨擦副:钢/青铜

产品特点:镶垫杆端关节轴承杆端体材料是碳钢,表面镀锌,滑动表面镶入青铜衬垫;内圈材料是轴承钢,淬火,球面镀硬铬,除了孔径小于6.35外,其余均可通过油杯润滑。

使用温度范围:-50℃~+150℃ 



轴 承

型 号

Bearing number

外 形 尺 寸

Dimensions              mm/inch

额定载荷

Load ratings  kN

重量

Weight

≈kg

d

B

dk

C1

max

d2

 

G

UNF-2A

h

l1

min

l2

 

l7

 

rs

min

αº

动载荷

Dynamic

静载荷

Static

SAZP4S1)

4.83

7.92

11.1

6.35

15.88

10-32

31.75

19.05

39.70

0.3

10

3.4

3.8

0.013

0.19

0.312

0.437

0.25

0.625

1.25

0.75

1.563

0.012

SAZP6S1)

6.35

9.53

12.7

7.14

19.05

1/4-28

39.67

25.40

49.20

0.3

13

4.5

6.6

0.022

0.25

0.375

0.5

0.281

0.75

1.562

1

1.937

0.012

SAZP7S

7.94

11.10

15.88

8.74

22.23

5/16-24

47.63

31.75

58.72

0.3

10

6.9

8.4

0.037

0.3125

0.437

0.625

0.344

0.875

1.875

1.25

2.312

0.012

SAZP9S

9.53

12.70

18.26

10.31

25.40

3/8-24

49.23

31.75

61.93

0.6

9

9.4

10

0.055

0.375

0.5

0.719

0.406

1

1.938

1.25

2.438

0.024

SAZP11S

11.11

14.27

20.62

11.1

28.58

7/16-20

53.98

34.93

68.28

0.6

11

11

13

0.078

0.4375

0.562

0.812

0.437

1.125

2.125

1.375

2.688

0.024

SAZP12S

12.7

15.88

23.81

12.7

33.32

1/2-20

61.93

38.10

78.59

0.6

9

15

19

0.12

0.5

0.625

0.937

0.5

1.312

2.438

1.5

3.094

0.024

SAZP15S

15.88

19.05

28.58

14.27

38.10

5/8-18

66.68

41.28

85.73

18.2

0.6

11

20

21

0.18

0.625

0.75

1.125

0.562

1.5

2.625

1.625

3.375

0.717

0.024

SAZP19S

19.05

22.23

33.32

17.45

44.45

3/4-16

73.03

44.45

95.25

20.9

0.6

10

29

29

0.29

0.75

0.875

1.312

0.687

1.75

2.875

1.75

3.75

0.823

0.024

SAZP25S

25.40

34.93

47.63

25.40

69.85

5/4-12

104.78

53.98

139.70

33.9

0.6

14

60

101

1.1

1

1.375

1.875

1

2.75

4.125

2.125

5.5

1.335

0.024

1)不能润滑。

可提供不同螺纹精度要求的杆端关节轴承。

若是左旋螺纹,轴承型号和螺纹标记需加“L”和“LH”,例如:SALZP12S  1/2-20UNF-2ALH。

以上产品的杆端体和内圈可用不锈钢制造,轴承型号后面加“X”标识,即SAZP…S/X。