机械零部件
当前位置:福建龙溪轴承(集团)股份有限公司 - 东升国际官网入口产业 - 机械零部件 - 关节轴承 - 润滑型向心关节轴承
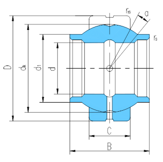
GEEW...ES

产品编号:GEEW...ES 12­~320

滑动磨擦副: 钢/钢 

产品特点:内圈两端带伸出圆筒,外圈有一道轴向缝,内、外圈材料均为轴承钢,淬火,磷化,滑动表面涂敷二硫化钼。

使用温度范围:-50℃­~+150℃

  

    
  

轴 承

型 号

Bearing number

外 形 尺 寸

Dimensions          mm

额定载荷

Load ratings  kN

重 量

Weight

≈kg

d

D

B

C

d1

max

dk

rs

min

r1s

min

α˚

动载荷

Dynamic

静载荷

Static

GEEW12ES*

12

22

12

7

15.5

18

0.3

0.3

4

10

53

0.017

GEEW15ES

15

26

15

9

18.5

22

0.3

0.3

5

16

84

0.028

GEEW16ES

16

28

16

9

20

23

0.3

0.3

4

17

85

0.034

GEEW17ES

17

30

17

10

21

25

0.3

0.3

7

21

106

0.043

GEEW20ES

20

35

20

12

25

29

0.3

0.3

4

30

146

0.069

GEEW25ES

25

42

25

16

30.5

35.5

0.6

0.6

4

48

240

0.124

GEEW30ES

30

47

30

18

34

40.7

0.6

0.6

4

62

310

0.159

GEEW32ES

32

52

32

18

37

43

0.6

1

4

65

328

0.207

GEEW35ES

35

55

35

20

40

47

0.6

1

4

79

399

0.248

GEEW40ES

40

62

40

22

46

53

0.6

1

4

99

495

0.349

GEEW45ES

45

68

45

25

52

60

0.6

1

4

127

637

0.468

GEEW50ES

50

75

50

28

57

66

0.6

1

4

156

780

0.62

GEEW60ES

60

90

60

36

68

80

1

1

4

245

1220

1.11

GEEW63ES

63

95

63

36

71.5

83

1

1

4

253

1260

1.27

GEEW70ES

70

105

70

40

78

92

1

1

4

313

1560

1.69

GEEW80ES

80

120

80

45

91

105

1

1

4

400

2000

2.55

GEEW90ES

90

130

90

50

99

115

1

1

4

488

2440

3.04

GEEW100ES

100

150

100

55

113

130

1

1

4

607

3030

4.87

GEEW110ES

110

160

110

55

124

140

1

1

4

654

3270

5.53

GEEW125ES

125

180

125

70

138

160

1

1

4

950

4750

8.19

GEEW160ES

160

230

160

80

177

200

1

1

4

1360

6800

15.8

GEEW200ES

200

290

200

100

221

250

1.1

1.1

4

2120

10600

31.7

GEEW250ES

250

400

250

120

317

350

1.1

1.1

4

3750

17800

101

GEEW320ES

320

520

320

160

405

450

1.1

1.1

4

6200

30500

225

  *仅外圈有润滑槽孔。内径d≥φ15mm,可提供带密封圈的向心关节轴承。