机械零部件
当前位置:福建龙溪轴承(集团)股份有限公司 - 东升国际官网入口产业 - 机械零部件 - 关节轴承 - 润滑型向心关节轴承
GE...XS/K

产品编号:GE...XS/K  12~150

滑动磨擦副:钢/钢

产品特点:产品特点与GEC...XS系列相同。

使用温度范围:-50℃­~+150℃

  

    
  

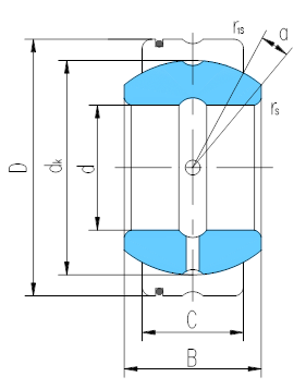
轴 承

型 号

Bearing

number

外 形 尺 寸

Dimensions         mm

额定载荷

Load ratings  kN

重 量

Weight

≈kg

d

D

B

C

dk

rs

min

r1s

min

α˚

动载荷

Dynamic

静载荷

Static

GE12XS/K

12

22

11

9

18

0.5

0.5

7

13

68

0.019

GE15XS/K

15

26

13

11

22

0.5

0.5

6

20

102

0.031

GE20XS/K

20

32

16

14

28

0.5

0.5

4

33

166

0.054

GE22XS/K

22

37

19

16

32

0.5

0.5

6

43

217

0.088

GE25XS/K

25

42

21

18

36

0.5

0.5

5

55

275

0.128

GE30XS/K

30

50

27

23

45

1

1

6

87

439

0.232

GE35XS/K

35

55

30

26

50

1

1

5

110

552

0.291

GE40XS/K

40

62

33

28

55

1

1

6

130

654

0.392

GE45XS/K

45

72

36

31

62

1

1

5

163

816

0.609

GE50XS/K

50

80

42

36

72

1

1

5

220

1100

0.885

GE55XS/K

55

90

47

40

80

1

1

6

272

1360

1.29

GE60XS/K

60

100

53

45

90

1

1

6

344

1720

1.84

GE65XS/K

65

105

55

47

94

1

1

5

375

1870

2.03

GE70XS/K

70

110

58

50

100

1

1

5

425

2125

2.28

GE75XS/K

75

120

64

55

110

1

1

5

510

2570

3.08

GE80XS/K

80

130

70

60

120

1

1

5

610

3060

4.04

GE85XS/K

85

135

74

63

125

1

1

6

669

3340

4.44

GE90XS/K

90

140

76

65

130

1

1

5

718

3590

4.79

GE95XS/K

95

150

82

70

140

1

1

5

833

4165

6.07

GE100XS/K

100

160

88

75

150

1.5

1.5

5

956

4780

7.56

GE110XS/K

110

170

93

80

160

1.5

1.5

5

1080

5440

8.63

GE115XS/K

115

180

98

85

165

1.5

1.5

5

1190

5960

10.4

GE120XS/K

120

190

105

90

175

1.5

1.5

6

1330

6690

12.5

GE130XS/K

130

200

110

95

185

1.5

1.5

5

1490

7460

14.0

GE150XS/K

150

220

120

105

205

1.5

1.5

5

1820

9140

17.2